SB系列管道过滤器概述
一、工作原理与功能
SB系列管道过滤器适用于石油、化工、轻工、医药、食品等行业生产中的液体及气体物料,用以过滤其固体杂质。通常安装在泵、压缩机的入口或流量计前的管道上,以保护此类设备和仪表。过滤器也是提高产品纯度,净化气体的小型设备。其工作大原理是当流体进入过滤器时,过滤系统的过滤介质(滤网)阻挡流体中的固体杂质,达到净化的目的。
二、型号标记

◎ 标记示例
1、公称通径100mm、公称压力1.6MPa、滤网规格80目/英寸,主体材质为碳钢的角式直通管道过滤器,则标记为:SBYⅠ100-1.6/80C
2、公称通径250、公称压力2.5MPa、滤网规格60目/英寸,主体材质为不锈钢的角式斜通管道过滤器,则标记为:SBJ250-2.5/60S
3、公称通径80、公称压力4.0MPa、滤网规格30目/英寸,主体材质为不锈钢的直通篮式过滤器,则标记为:SBLⅠ80-4.5/30S
表1

三、规格型号与技术参数
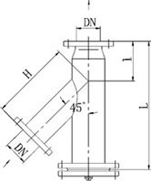
SBJ系列过滤器是在引进国外先进技术基础上,结合我厂多年生产过滤器的经验,研究开发成功的。结构采用斜接式,结构合理,操作简单,过滤面积大,压力损失小,清洗和更换滤网方便。使用寿命长等优点。
SBJ角式斜通法兰连接过滤器
DN50-250、PN≤5.0MPa,(见图一、表2)

图一

表2
四、订货须知
1、订货时请正确写清产品名称、型号、主要技术参数,介质名称及特性,法兰标准及规格、材质,滤网规格及其它特殊要求等。
2、本公司生产的管道过滤器,法兰是以化工部HG为标准,用户如采用其它法兰标准,请在合同中注明。
3、主体材质除用户特殊要求外,碳钢一般采用20钢,不锈钢一般采用ICr18Ni9Ti。
4、滤网材质除用户特殊要求外,一般采用ICr18Ni9Ti。滤网规格一般采用30目/英寸。当另有要求时,可按附表1选择其中的任何一种规格。
5、我公司同时可以制造化学工业部工程建设标准HGJ532-91《化工管道过滤器》中所有型号过滤器。
◎附表1



