ZJDPⅣ型导流式自洁式过滤器
一、功能与用途
ZJDPⅣ型导流式自洁式过滤器适用于各种供水系统、工艺水系统及工业冷却水系统,特别是24小时连续运行的不停机系统,用以滤去水中的各种杂质,确保系统设备的安全可靠运行。
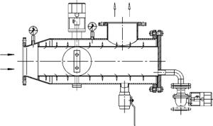
正常工作状态
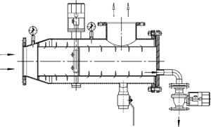
清洗滤芯状态
工作原理图
二、设备结构与工作原理
本过滤器主要由优质碳钢或不锈钢筒体、滤网、水流导向阀、差压控制器、电动控制箱及排污装置等所组成。当过滤器工作时,水流导向阀处于开启状态,水流由入口进入过滤器,经滤网过滤后流入出口。本机采用压差控制、定时控制自动清洗滤网。当过滤器进出口压差达设定值或定时器达到预置时间时,电动控制箱发出信号,排污阀打开(水流导向阀处于开启状态),水流冲洗粘在滤网壁上的杂质,杂质由排污口排出。稍后水流导向阀开始关闭(排污阀处于开启状态),水流在导向阀关闭过程中流速不断加大,粘附在滤网内壁上的杂质被进一步冲洗排出,当水流导向阀处于全关状态下,水流被迫从过滤器进口段网孔进入滤网外侧,大部分净液从出口流出,一部分净液又从滤网外侧进入滤网内部(因为系统处于泄压状态,滤网内部压力小于外侧压力),从而对滤网进行反冲洗,特殊设计的滤网使得在滤网内部产生了喷射效果,任何杂质都被从光滑的内壁上冲走。当过滤器进出口压差恢复正常或定时器设定时间结束后,电动排污阀关闭,水流导向阀开启。整个过程中,物料不断流,实现了连续化、自动化生产。
三、主要技术参数
1、公称通径:DN50-600 4、过滤精度≥50μm
2、工作压力:≤1.6MPa 5、电机参数:380V 50HZ
3、工作温度:<100℃ 6、清洗耗水量:主管道流量的1-2%

ZJDP Ⅳ1型过滤器
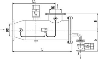
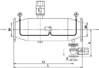
四、结构形式及外形尺寸
ZJDP Ⅳ2型过滤器外形尺寸
ZJDP Ⅳ1型过滤器外形尺寸
注:筒体直径≥500mm时, 过滤器封头采用椭圆形封头形式。

ZJDPⅣ2型过滤器



