常见滤芯式精细过滤器
1、ZJF-L型精细过滤器
产品特点:
ZJF-L型精细过滤器其过滤介质由各种不同材质滤芯组成,根据生产工艺可选用线缠绕式滤芯、树脂烧结滤芯、金属纤维烧结滤芯、非金属纤维烧结滤芯、陶瓷滤芯、高分子烧结滤芯等。本设备具有过滤面积大、压损小、操作方便,分离效率高,最高过滤精度可达0.3μm。
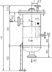
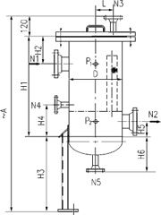
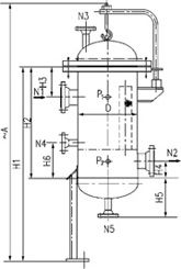
典型结构形式及外形尺寸

2、ZJFN型滤芯精细过滤器

ZJFN-I型

ZJFN-II型

ZJFN-III型
ZJFN-I型
ZJFN-II型


本滤芯采用不锈钢纤维烧结毡经折叠、卷制而成。不锈钢纤维烧结毡是一种采用不锈钢纤维经过高温烧结而成的多孔深度型过滤材料,由粗到细,成梯形孔径。
一、滤芯具有特点
a、孔隙率高,透气性强,阻力小,使用压差低。
b、成波纹状后,过滤面积大,纳污能力强(16.9-41mg/cm2)。
c、耐高温(≤300℃),耐腐蚀,适用于高粘度介质过滤(260Pa·S)。
d、强度高,能承受30MPa的工作压力。
e、再生性优良,经化学清洗,高温及超声波清洗反复多次使用。
二、主要规格及尺寸
注:特殊规格根据用户要求加工


三、产品用途
a、石化行业:
催化反应中,催化剂的去除和收集,例如:苯胺、丙烯晴、高、低密度聚乙烯,硝酸生产中空气与氨气的过滤。天然气的过滤,照相用的各种化学溶液过滤,油品调合中润滑油的过滤,溶剂类、硐类、酯类的过滤。
b、电子
锅炉排出的气体的过滤,去除烟尘烟气,分析过滤探测器,水中的煤粉。
c、制药行业
从制剂的化学半成品中滤除活性碳粉,漂白粉等。分离或收集粉尘药品。水和蒸汽的过滤。
d、啤酒、饮料、食品工业
水处理、二氧化碳气体过滤、酵母分离、蒸汽过滤。
四、不锈钢纤维烧结毡主要性能参数表

注:1)纳污量试验符合ISO4572标准,滤毡最终的压降为初始压降的8倍;
2)平均透气度试验符合ISO4022标准,空气压力为200Pa;
3)滤毡材质均为316L。金属粉末烧结滤芯
一、用 途
金属粉末烧结滤芯广泛用于导热油、变压器油、润滑油、燃油等油类的过滤。在酒类、饮料、腐蚀性气体的过滤方面也得到了广泛的应用。
二、结构特点
金属粉末烧结滤芯采用不锈钢粉末微孔烧结管加工而成,能耐高温、耐腐蚀,孔分布均匀、强度高、透气性好,可清洗再用。主要材质有青铜、不锈钢、钛镍等。
三、主要性能表
不锈钢多孔管性能

纯镍多孔管性能




四、主要规格及尺寸



三、主要性能参数表


1、工业污水、生活废水处理,自来水澄清、除味和除菌。
2、饮料、仪器、酿造行业中过滤除菌,电子、制药、光学透镜研磨用高纯水制备。
3、化工行业酸、碱性液体过滤,酒精回收等。如各种电解、电镀液处理,纯碱过滤、丙烯晴、粘胶、过滤等。
4、石油工业中,含油污水处理,柴油、汽油、航空煤油过滤、油蜡分离等。
5、制药行业中各种药水过滤,如青霉素、链霉素、针剂等过滤。
b、气体过滤
1、各种空压机压缩空气中杂质、油过滤。
2、啤酒、制药、酿造行业中无菌空气制备。
3、化纤行业中气体混合与净化。
4、石化行业中干气过滤,催化气体过滤。


| ![]() |
2、发酵液的过滤。
3、粉末活性碳的过滤。
4、氯碱与纯碱生产上一次或二次盐水精密过滤.
5、化纤生产、焦化生产及石化等生产上液体脱硫精密过滤。
6、重金属废水的过滤。
7、从化工废水中回收化工产品的精密过滤(例如炭黑、纯碱与碳酸氢钠)。
8、水净化过滤。
9、化工食品与制药生产液体、原料、液体中间体及液体产品等的精密澄清过滤。
10、压缩空气的净化过滤。1、过滤效率高,作液固过滤,最小可过滤0.5μm的微粒,作气固过滤0.3μm可过滤99%以上。
2、排干滤饼效率高: 采用压缩气体快速反吹法, 可以很轻便地将附在微孔管外表面的滤饼快速又较完全地卸下。
3、再生效率高:采用简易的气液快速反吹法可以将受到堵塞的微孔管进行高效又快速的再生,微孔管的使用寿命长。
4、耐化学腐蚀的性能特别优越。耐各种酸、碱、盐,耐70℃以下绝大部分有机溶剂,无味、无毒、无异物溶出,极适宜医药、食品等行业应用。
5、重量轻、安装维修方便,再加工性能(如车、锯、刨、焊等)容易。
6、耐温性能:微孔PE材料耐温<80℃ 微孔PA材料耐温<110℃三、微孔毛细孔径型号


一、结构特点
滤芯材料全部为聚丙烯热合成形,无粘结剂,对生物无害;过滤效率高,为99%以上;阻力小,无纤维脱落;非光敏性,过滤面积大,可杀菌消毒处理。二、主要用途
石油工业:洗气用的胺、天然气、燃料油的过滤、提纯,油井下注水过滤;
化学工业:有机溶剂、脂、醇及一般浓度的酸碱等化工原料的过滤;
食品行业:酿造用水的无毒过滤与澄清食用油的过滤,发酵罐空气过滤等;
医药行业:制备无菌水、口服液、大输液针剂的终端过滤以及气体的除菌等等。
三、主要性能参数 过滤精度(μm):0.1、0.2、0.45、1、2、3、5、10、30、60
耐压(MPa): 0.4
最高工作温度(℃): 80
最高消毒温度(℃):120(0.1MPa)
尺寸规格: 内径:φ30mm 外径:φ65mm 长度:250、500、750、1000mm

| ![]() |
2、通量大、阻力低、纳污能力强、使用寿命长。
3、耐腐蚀性好,无纤维、微粒脱落现象,无二次污染。
4、机械强度高,自支撑性能好,受压后内部孔结构不变形。
5、采用特殊的处理工艺,可制成亲油性或亲水性两种滤芯,使滤芯具有更好的过滤性能和“水力学”特性。二、产品用途 适用于水处理、树脂、乙烯、油品、糖浆、食用油、涂料等,特别适用于高粘度、高污染物的液体过滤。

外径D: φ65mm内径d: φ27mm
长度L:250、500、750、1000mm







