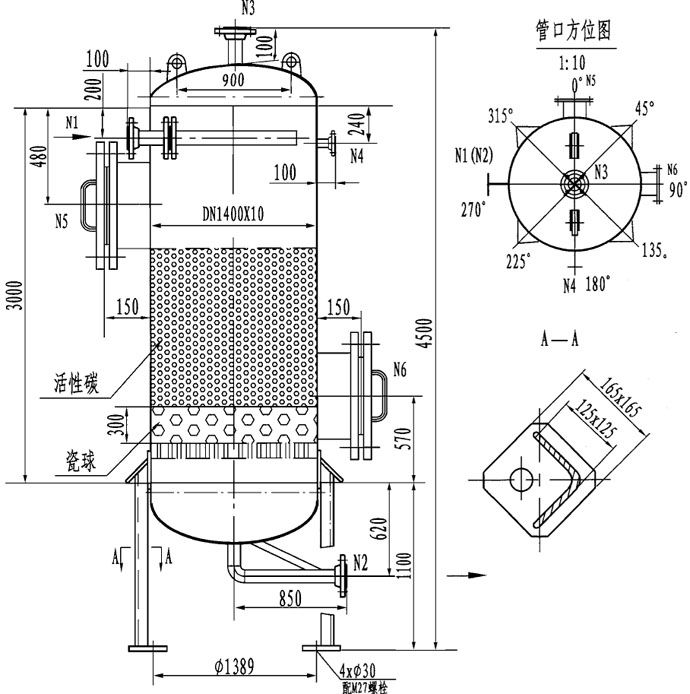
产品展示 更多产品分类 过滤设备 静态混合设备 加热设备系列 动态混合设备 消声器 纸张专用设备 管用专用小型设备 油罐附件系列 煤气管道排水器 活性碳过滤器 一、产品特性 活性碳过滤器内装8-10目颗粒状活性碳,一般石化行业中用于双脱装置,水处理车间等。活性碳有煤质碳、果壳碳或椰壳碳。它主要去除流体中的有机物,胶体化合物和硫化物,余氯等杂质,属于吸附过滤方式。 活性碳吸附饱和后无法通过反冲洗再生,必须及时更换,我公司在石油、化工、水处理等行业均有比较成熟的实例。各种技术参数不尽相同,请将处理量、工作压力、粘度、密度、温度等参数、传真或致电本公司。 我公司将为你提供最合适的设备形式。 其主要典型结构如下 上页下页