乏气分油器
一、产品特性
乏气分油器能有效地除掉乏气中夹带的润滑油滴,对保护环境和整个装置正常运行都具有十分重要的意义。我公司生产的VSJ型乏气分油器主要技术参数如下:
操作介质:水蒸汽;设计压力:0.3MPa;180℃。

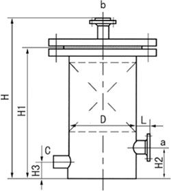
二、产品规格


三、订货说明
1、本系列设备已按蒸汽管尺寸考虑了相应的分油面积,用户直接根据蒸汽管径选用。
2、本系列设备接管法兰按HG20592-97标准,也可提供GB、SH、JB、ANSI、JIS等标准管法兰,但订货时,用户必须注明。
3、本系列设备材质为碳钢,用户如选用不锈钢等材料,订体内时应注明。
上页下页