SF型焦化专用防泄漏型煤气排水器
一、产品简介
S F型焦化专用防泄漏型煤气排水器是最新开发的新型煤气排水设备。本设备将传统敞开式排水设计成密闭排水,从而将焦化系统原敞口的异味源全部密封起来。另外,本设备可同时将多点排放,集中到一块,进一步减少异味源数量,避免大气污染,有利于保护周围环境,保障职工的生命安全。
焦炉煤气因其含杂量大,同时由于其中的焦油为高黏性物质,所以在此类防泄漏型煤气排水器上设有氨水和蒸汽吹刷口,底部设有排污阀,定期将污物排除。
二、产品分类
SF型焦化专用防泄漏型煤气排水器分为两种,即正压水封和负压水封。
在煤气排送装置的煤气间冷器及煤气鼓风机等设备前的负压管道上采用负压水封,排除冷凝水。
在煤气排送装置的正压管道上采用正压水封。三、型号标注


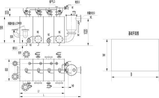
图一、正压水封图
表一、正压排水器外形尺寸

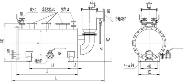
图二、负压水封图
表二、负压排水器外形尺寸
2、冷凝水入口管管径、数量、接管法兰连接标准。
3、 架空煤气管道底部离地面高度。
4、设备的材质、壳体外是否需保温等。 上页下页



