• 1
  • 2
  • 3
产品展示

MQPW型煤气用系列水封器

一、用 途
  MQPW系列水封器设在煤气清洗设施的快速封切断下方。
二、结构方式
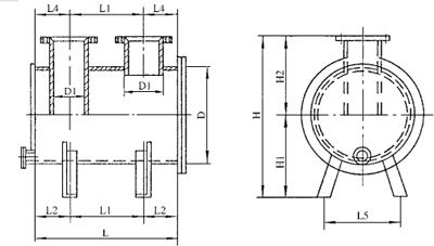
  (1)本设备由一根水平管理和两根垂直短管组成一个“U”形水封,水平管两端用钢板堵死,在水平管底部有个支座,可与钢支架安装。
  (2)本设备利用水封高度克服煤气压力,从而封住煤气,起割断煤气排出并具有阻火功能。
三、产品技术参数
  设计压力PN0.1MPa法兰标准HG5010-58

四、产品结构示意图
五、注意事项
  A、检查进出口各阀开闭是否自如。
  B、把水封器出口管端的塞子打开灌入水直至溢流为止,(在灌水前务必把水封器上面的阀门打开)。

上页下页
访问电脑版