• 1
  • 2
  • 3
产品展示

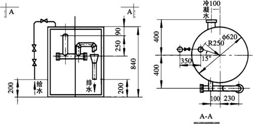
MLP型系列离心式鼓风机排水器

  1、MLP型排水器为四室排水器,适用于离心式煤气鼓风机,本体及进出口管排水。
  2、该排水器必须采用压力给水,给水量为2-3t/h。
  3、排水器上设有蒸汽或氮气吹扫兴,为防止煤气窜入蒸汽或氮气管内,只有在通蒸汽或氮时,才能把蒸汽或氮气管连通。停用时必须断开或堵盲板。
  4、排水器冷凝水应集中处理。
  5、设在露天的排水器在寒冷地区要采取防冻措施,设在室内的应有良好的自然通风。

MLP型排水器系列规格选用表地
 
MLP-I型
MLP-II、III型
※MLP-II、III型各增加一个人工补水管DN50

已是第一页下页
访问电脑版