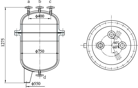
产品展示 更多产品分类 过滤设备 静态混合设备 加热设备系列 动态混合设备 消声器 纸张专用设备 管用专用小型设备 油罐附件系列 煤气管道排水器 LYZ型氯气逆止罐 一、产品概述 LYZ型氯气逆止罐是用于造纸工业多段漂白工艺中防止浆料倒流用的专用设备。本设备为钢制内衬耐酸橡胶的立式受压容器,由罐体、罐盖组成并有螺栓连接而成。二、技术特性三、产品外形示意图管 口 表 上页下页