JCXM型密闭式采样器
JCXM型密闭式采样器,主要由箱体、采样瓶、缓冲罐、快换手轮、压力表、阀门、密封件及法兰组成。
一、结构特点
由于采样瓶与工艺管之间用带有快换手轮连接,因此,操作简单、迅速、方便。
二、技术参数适用范围
(1) JCXM-IA型液体密闭式采样器
适用范围:适用于各种有毒、有害、易燃、易爆等各种液体介质的采样。
技术参数:采样温度:-20~60℃,设计压力:0~10.0MPa,采样量:100ml



注:N1、N2、N3管口为DN15 PN1.6~ 0.0
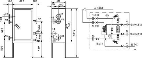
(2) JCXM-IB型液体密闭式采样器适用范围:适用于种种有毒、有害、易燃、易爆等各种液体介质的采样。
技术参数:采样温度:-20~400℃,设计压力:0~10.0MPa,采样量:100ml

注:N1、N2、N3管口为DN15 PN1.6~10.0
N4、N5、N6管口为DN20 PN1.6
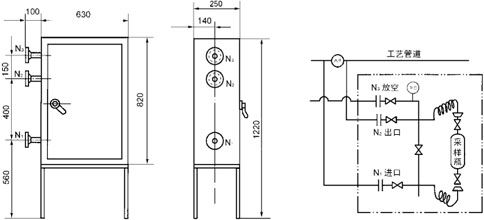
适用范围:适用于各种有毒、有害、易燃、易爆等各种气体介质的采样。
技术参数:使用温度:-20~50℃,设计压力:0~10.0MPa,采样量:200ml~500ml

注:N1、N2、N3、N4管口为DN15 PN1.6~10.0
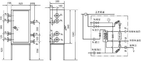
(4) JCXM-IIB型气体密闭式采样器 适用范围:适用于种种有毒、有害、易燃、易爆等各种气体介质的采样。
技术参数:采样温度:-20~400℃,设计压力:0~10.0MPa,采样量:200ml~500ml

注:N1、N2、N3、N4管口为DN15 PN1.6~10.0 N5、N6、N7管口为DN20 PN1.6
三、订货须知1、订货时请详细注明采样器型号、介质名称、压力和温度。
2、请注明连接面法兰标准。 上页下页



