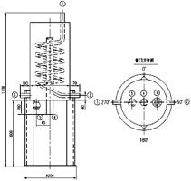
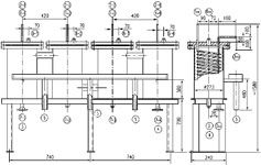
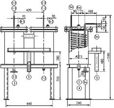
产品展示 更多产品分类 过滤设备 静态混合设备 加热设备系列 动态混合设备 消声器 纸张专用设备 管用专用小型设备 油罐附件系列 煤气管道排水器 JCXW型取样冷却器 取样冷却器适用于温度较高的液体和气体等介质取样,具有结构紧凑、传热效率高、清洗方便、使用寿命长等优点,广泛用于石油、化工、电力等部门的、加热、换热,冷却器也可做为油泵的自封冷却器。①单一相取样冷却器JCXM-IA 单一相取样冷却器主要性能表 单一相取样冷却器管口说明表 ★注:JCXW-IA-3、4型开口②上带Φ8缩口。②双联取样冷却器JCXW-IB 双联取样冷却器主要性能表 双联相取样冷却器管口说明表③四联取样冷却器JCXW-IC 四联取样冷却器主要性能表 上页下页