油罐附件系列
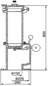
一、窄口双密封量油装置
型号规格:VFCY-150
质量:21kg
装于油罐顶部,用于测量罐内油品的标高和温度及取样等,具有防毒功能。

二、量 油 孔
型号规格:VFCY-150
量油孔为脚踏式,装于油罐顶部,用于测量罐内油品的标高和温度及取样等。

三、VGZQ-1罐顶通气
适用范围:用于内
规格:660×400
重量:66kg
四、L-2/1罐壁通气孔
规格:700×400
重量:20 kg

五、VFNT-1防爆阻火通气罩
适用范围:
加油站、储油罐的通气管口上、油槽车、油罐车上、洞库、油漆厂、容剂厂、油厂及制药厂排出的管口上。
符合国际GB5908-86规定。

六、VTOG型系列通气管
适用范围:
该通气管是安装在油罐顶部的通风装置


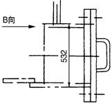
七、罐壁人孔标设L1/22-DN600 单重:162kg

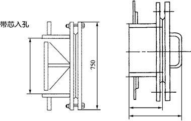
八、带芯人孔VRK-DN500、VRK-DN600

九、VGSP型系列排污孔


十、VGTG型系列透光孔



十一、VGTSQ清扫孔



十二、清扫孔(不带水管)
规格:500×700
重量:134kg




